发布时间:2018-03-15 11:08 原文链接: 扫描电子显微镜的基本原理(三)荷电效应

第四节  各种信号与衬度的总结

前面两节详细的介绍了扫描电镜中涉及到的各种电子信号、电流信号、电磁波辐射信号和各种衬度的关系,下面对常见的电子信号和衬度做一个总结,如图2-36和表2-4。

图2-36  SEM中常见的电子信号和衬度关系

表2-4  SEM中常见的电子信号和衬度关系

第五节  荷电效应

扫描电镜中还有一种不希望发生的现象,如荷电效应,它也能形成某些特殊的衬度。不过在进行扫描电镜的观察过程中,我们需要尽可能的避免。

§1. 荷电的形成

根据前面介绍的扫描电镜原理,电子束源源不断的轰击到试样上,根据图2-6,只有原始电子束能量在V1和V2时,二次电子产额δ才为1,即入射电子和二次电子数量相等,试样没有增加也没减少电子,没有吸收电流的形成。而只要初始电子束不满足这个条件,都要形成吸收电流以满足电荷的平衡, i0= ib+is+ia

要实现电荷平衡,就需要试样具备良好的导电性。对于导体而言,观察没有什么问题。但是对于不导电或者导电不良、接地不佳的试样来说,多余的电荷不能导走,在试样表面会形成积累,产生一个静电场干扰入射电子束和二次电子的发射,这就是荷电效应。

荷电效应会对图像产生一系列的影响,比如:

① 异常反差:二次电子发射受到不规则影响,造成图像一部分异常亮,一部分变暗;

② 图像畸变:由于荷电产生的静电场作用,使得入射电子束被不规则偏转,结果造成图像畸变或者出现阶段差;

③ 图像漂移:由于静电场的作用使得入射电子束往某个方向偏转而形成图像漂移;

④ 亮点与亮线:带点试样经常会发生不规则放电,结果图像中出现不规则的亮点与亮线;

⑤ 图像“很平”没有立体感:通常是扫描速度较慢,每个像素点驻留时间较长,而引起电荷积累,图像看起来很平,完全丧失立体感。

如图2-37都是典型的荷电效应。

图2-37 典型的荷电效应

§2. 荷电的消除

荷电的产生对扫描电镜的观察有很大的影响,所以只有消除或降低荷电效应,才能进行正常的扫描电镜观察。消除和降低荷电的方法有很多种,这里介绍一下常用的方法。

首先,在制样环节就要注意以便减小荷电:

1) 缩小样品尺寸、以及尽可能减少接触电阻:这样可以增加试样的导电性。

2)镀膜处理:给试样镀一层导电薄膜,以改善其导电性,这也是使用的最多的方法。常用的镀膜有蒸镀和离子溅射两种,常用的导电膜一般是金Au和碳,如果追求更好的效果,还可使用铂Pt、铬Cr、铱Ir等。镀导电膜不但可以有效的改善导电性,还能提高二次电子激发率,而且现在的膜厚比较容易控制,一定放大倍数内不会对试样形貌产生影响。

不过镀膜也有其缺点,镀膜之后会有膜层覆盖,影响样品的真实形貌的,严重的话还会产生假象,对一些超高分辨的观察或者一些细节(如孔隙、纤维)的测量以及EDS、EBSD分析产生较大影响。

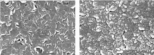
如图2-38,石墨在镀Pt膜后,产生假象;如图2-39,纤维在镀金之后,导致显微变粗,孔隙变小。

图2-38 石墨镀金膜之后的假象

图2-39 纤维在镀金前(左)后(右)的图像

除了制样外,还要尽可能寻找合适的电镜工作条件,以消除或减弱荷电的影响:

3)  减小束流:降低入射电子束的强度,可以减小电荷的积累。

4) 减小放大倍数:尽可能使用低倍观察,因为倍数越大,扫描范围越小,电荷积累越迅速。

5) 加快扫描速度:电子束在同一区域停留时间较长,容易引起电荷积累;此时可以加快电子束的扫描速度,在不同区域停留的时间变短,以减少荷电。

6) 改变图像采集策略:扫描速度变快后,图像信噪比会大幅度降低,此时利用线积累或者帧叠加平均可以减小荷电效应同时提升信噪比。线积累对轻微的荷电有较好的抑制效果;帧叠加对快速扫描产生的高噪点有很好的抑制作用,但是图像不能有漂移,否则会有重影引起图像模糊。如图2-40,样品为高分子球,在扫描速度较慢时,试样很容易损伤而变形,而快速扫描同时进行线积累的采集方式,试样完好且图像依然有很好的信噪比。

图2-40 高分子球试样在不同扫描方式下的对比

7)降低电压:减少入射电子束的能量(降至V2以内)也能有效的减少荷电效应。如图2-41,试样是聚苯乙烯球,加速电压在5kV下有明显的荷电现象,降到2kV下荷电基本消除。不过随着加速电压的降低,也会带来分辨率降低的副作用。

图2-41 降低加速电压消除荷电影响

8)用非镜筒内二次电子探测器或者背散射电子探测器观察:在有大量荷电产生的时候,会有大量的二次电子被推向上方,倒是镜筒内二次电子接收的电子信号量过多,产生荷电,尤其在浸没式下,此时使用极靴外的探测器,其接收的电子信号量相对较少,可以减弱荷电效应,如图2-42;另外,背散射电子能量高,其产额以及出射方向受荷电的影响相对二次电子要小很多,所以用BSE像进行观察也可以有效的减弱荷电效应,如图2-43,氧化铝模板在二次电子和背散射图像下的对比。

图2-42 镜筒内(左)和镜筒外(右)探测器对荷电的影响

图2-43 SE(左)和BSE(右)图像对荷电的影响

9) 倾转样品:将样品进行一定角度的倾转,这样可以增加试样二次电子的产额,从而减弱荷电效应。

 除此之外,电镜厂商也在发展新的技术来降低或消除荷电,最常见的就是低真空技术。低真空技术是消除试样荷电的非常有效的手段,但是需要电镜自身配备这种技术。

10)低真空模式:低真空模式下可以利用电离的离子或者气体分子中和产生的荷电,从而在不镀膜或者不用苛刻的电镜条件即可消除荷电效应。不过低真空条件下,原始电子束会被气体分子散射,所以分辨率、信噪比、衬度都会有一定的降低。如图2-44,生物样品在不镀导电膜的情况下即可实现二次电子和背散射电子的无荷电效应的观察。

图2-44 低真空BSE(左)和SE(右)的效果对比