发布时间:2018-03-07 17:01 原文链接: 2015药典LCMS/MS农残检测的完美应对



《中华人民共和国药典 2015版》已与2015年12月1日正式实施。相比2010版药典主要有三个变化:一是收载品种数上有较大增幅,二是整体构架上有较大调整,三是安全性控制项目大幅提升。2015版药典收载品种约5515个,比2010版药典增加1200多个,修订品种751个。


针对2015药典通则2341中规定的155种农药的液相色谱串联质谱法的高、大、上检测手段,岛津公司提出了从前处理到数据处理全套的解决方案。接下来,让小编与您慢慢道来。

01.

前处理

2015药典中农药残留检测使用了QuEChERS的前处理方法,该方法相比于传统方法,更简便、更经济、更快速。岛津技迩公司最新推出的WondaPak QuEChERS产品,针对不同的基质,不同的农药,提供多种选择。高性价比的产品全方位满足您实验室的检测需求。


02.

MRM方法建立

使用“岛津LC-MS/MS MRM农药残留数据库”,通过筛选的方式将目标农药挑选出来建立MRM参数。基于岛津LCMS碰撞室UF Sweeper III 的ZL技术(ZL号US 7985951),实现了最小Dwell time 0.8 msec的超速MRM方式,同时配合业内最快的正负极切换速度(5 msec),真正实现一针进样,无需分段采集,可对所有农药进行全分析时间检测。



03.

高灵敏度检测

岛津公司三重四极杆液质联用仪LCMS-8060,由于采用了加热离子源、独特设计的UF Lens离子传输系统、及超高效的碰撞室UF Sweeper III技术,使得灵敏度大大提高,因此可以实现ppt级的农残检测。基于如此高的灵敏度,本例采用改进的QuEChERS前处理方法,未对提取液进行浓缩,从而得到了更优异的回收率结果。




04.

便捷的数据处理

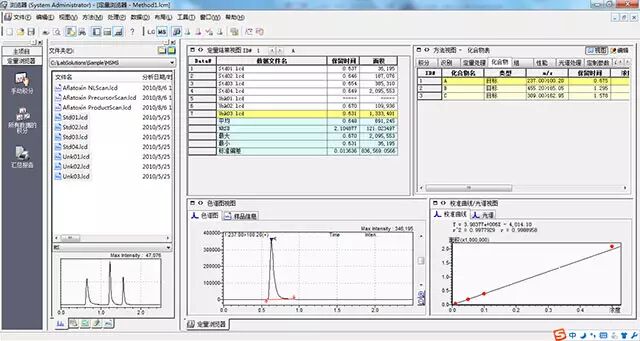
用过岛津色谱软件的客户对LabSolutions软件操作界面一定不会陌生,该软件延续了LC/LCMSSolution的操作界面,同GC/GCSolution的操作界面。同时增强了浏览器界面的功能,该界面可以同时查看多个数据、多个化合物的定量结果、色谱图、校准曲线等信息,是否阳性结果,一目了然;并且该界面支持汇总报告输出的功能,方便客户输出检测结果。




相关文章

至简不凡丨岛津气相色谱新品发布暨专家品鉴会成功举办

2025年3月21日,由岛津企业管理(中国)有限公司主办,以“至简不凡”为主题的气相色谱新品发布暨专家品鉴会在北京顺利召开,本次会议汇聚了来自中石化石油化工科学研究院有限公司、国家环境分析测试中心、中......

614.8万这所大学购置一台多功能X射线光电子能谱仪

一、项目编号:[350001]FJSXZB[GK]2024036二、项目名称:福州大学多功能X射线光电子能谱仪采购项目三、采购结果采购包1:供应商名称供应商地址中标(成交)金额评审总得分厦门联信诚有限......

2025年2月质谱采购液质中标金额占比超六成

2025年2月,质谱采购市场持续火热,共完成88台(套)质谱仪的采购交易,总成交金额高达2.05亿元。此前,小编对质谱仪1月份(2025年1月质谱市场大揭秘:4亿“战场”上的激烈角逐)的中标情况进行了......

【国抽细则】岛津全方位助力2025年食品安全国抽项目(上)

近日,《食品安全监督抽检实施细则(2025版)》(后简称《国抽》)已公布,小编对比了2024版,主要变化点总结如下:●2025版国抽细则共计39大类食品。其中增加9个细分类,分别为餐饮食品类的凉皮(自......

2024气相色谱中标盘点:25%!国产品牌气相色谱仪中标成绩亮眼

2024年,气相色谱仪(GC)市场在中国继续保持强劲的增长势头。根据全年中标数据统计,气相色谱仪在政府、高校、科研院所、海关、公共卫生等多个领域的采购需求显著增加。本文将从中标数量、金额、品牌、采购行......

岛津在Pittcon2025发布多款全新分析仪器

在2025年3月1日至5日于美国马萨诸塞州波士顿举行的Pittcon2025大会期间,岛津公司(Shimadzu)宣布推出多款新产品,并介绍其在北美的新设施。这些公告正值公司庆祝成立150周年之际。“......

岛津携手国家环境分析测试中心,共探新污染物监测与治理新篇章

2025年2月21日,由岛津企业管理(中国)有限公司与国家环境分析测试中心共同举办的第九届环境研究合作实验室技术交流会在北京顺利召开。本次会议汇聚了来自国家环境分析测试中心、北京市各区县环保局、国家地......

靶向代谢组学新质生产力—岛津专利全谱二维液质联用技术来了!

01导语在靶向代谢组学检测中,样品基质通常较为复杂,所需分析的化合物数量多、极性范围广。当各目标物极性差异过大时,往往难以通过单一方法完成所有目标化合物的分析。通常采用两种样品前处理方式、两种分析方法......

岛津在印度新建工厂,预计2027年投产

整合销售公司,强化业务体制岛津制作所为了进一步强化在印度市场的业务布局,将在卡纳塔克邦设立制造子公司ShimadzuManufacturingIndiaPrivateLimited(简称SMI)。新工......

618.76万兰州交通大学更新X射线光电子能谱仪

一、项目编号2024zfcgjkky00021二、项目名称兰州交通大学教学科研设备更新项目——X射线光电子能谱仪三、中标(成交)信息标包是否废标供应商名称供应商联系地址中标金额(万元)评审报价/评审得......